Каталог

Система охлаждения для снегохода Буран Лидер

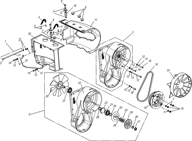
Фото Наименование Артикул Примечание Цена, руб. Заказать
Гайка М8 DIN 936-8P 0073248
Крыльчатка 110500640 0010501 1 783.1
Подшипник радиальный шариковый однорядный 6204.2RS.P6Q6/W63 ГОСТ 520-2002 0102157
Подшипник радиальный шариковый однорядный 6-180204АC17 (6204.2RS.P6Q6/W63) ГОСТ 520-2002 (2 шт.) в у 0131254 744.7
Подшипник 6204 2RS фирмы CRAFT 0074348 160.6
Корпус вентилятора 110500549 0010489 5 551.7
Кольцо стопорное 110501255 0017967 121
Шайба регулировочная 110500553 0010491 41.8
Шкив вентилятора ведомый 110500576 0010495
Шайба 14.65Г.016 ГОСТ 6402-70 0118238
Гайка М14х1,5 DIN 439-8P 0073380
Шпонка 3х5 DIN 6888- 0073316 37.4
Кольцо регулировочное 110500574 (2 шт.) 0128009 253
Корпус задний 110500262 0010465 10 935.1
Шпилька 110500217 0010455
Кронштейн 110501259 0013689 550
Воздухозаборник 110500214 0010454 173.8
Шайба 8 DIN 127-PB 0065160
Шайба 8.65Г.016 ГОСТ 6402-70 (4 шт.) 0130041
Шайба 8.65Г.016 ГОСТ 6402-70 0009782

Почему выгодно купить у нас

Поставка c завода г. Рыбинск. Мы производители

Спец Тариф на доставку в ТК

Заводская гарантия 12 месяцев

Популярные статьи

Подборка из 5 снегоходов для рыбалки

Куда удобнее отправить?