Каталог

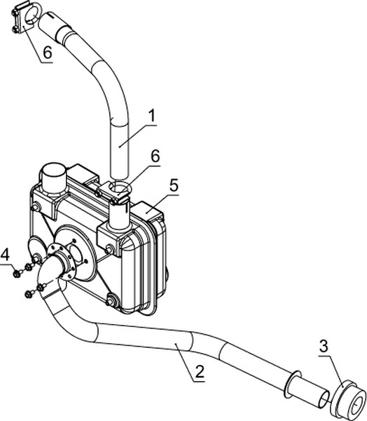
Система выпуска двигателя Kohler CH 740-3201 для снегохода Буран 4Т

Фото Наименование Артикул Примечание Цена, руб. Заказать
Винт M-545010-S (FLG THD FRM M5x.8x10) 0103317
Труба 110402160 0101679 3 219.7
Глушитель выпуска 110402200 0114547 58 557.4
Патрубок 110402130 0101295 7 716.5
Втулка 110402172 0102020 507.1
Хомут 24 237 01-S 0101288 1 442.1
Глушитель 24 068 24-S 0101289

Почему выгодно купить у нас

Поставка c завода г. Рыбинск. Мы производители

Спец Тариф на доставку в ТК

Заводская гарантия 12 месяцев

Популярные статьи

Подборка из 5 снегоходов для рыбалки

Куда удобнее отправить?