Каталог

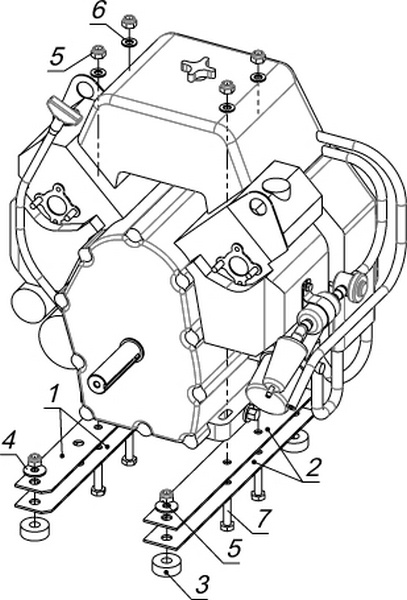
Крепление двигателя Kohler для снегохода Буран 4Т

Фото Наименование Артикул Примечание Цена, руб. Заказать
Основание двигателя 110502011 0103604
Шайба 10 DIN 9021-P (2 шт.) 0127075 127.6
Болт М10х45 DIN 931-88P 0068953
Гайка М10 DIN 985-10Р 0053302 24.2
Основание двигателя 110502012 0103605
Амортизатор 110100088 0010028 50.6
Шайба 10 DIN 9021-P 0054896

Почему выгодно купить у нас

Поставка c завода г. Рыбинск. Мы производители

Спец Тариф на доставку в ТК

Заводская гарантия 12 месяцев

Популярные статьи

Подборка из 5 снегоходов для рыбалки

Куда удобнее отправить?