Каталог

Коробка реверса 110604590 для снегохода Буран 4Т

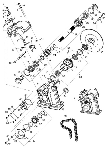
Фото Наименование Артикул Примечание Цена, руб. Заказать
Вал натяжной 110602670 0010861 4 604.6
Вал натяжной 340600009 0012233 2 735.7
Кольцо 054-062-46-2-2 ГОСТ 18829-73 0009807
Кольцо 054-062-46-2-2 ГОСТ 18829-73 (2 шт.) в упаковке 119804150 0128572 81.4
Кольцо регулировочное 110600187-01 0010635 28.6
Звездочка натяжения 110602650 0010859 2 391.4
Кольцо упорное 110602201 0010844 67.1
Цепь приводная втулочная 2ПВ-9.525-20 ГОСТ 13568-97 (1071.00.00-03) n=98 звеньев L=0.933м 0074088 4 184.4
Заглушка 110600079 0010605
Прокладка 110600075 0010603 31.9
Манжета ТС 25x47x7 NBR 70 (2 шт.) 0129792 602
Кольцо регулировочное 110600189 0010636 31
Кольцо регулировочное 110600189-04 0010640
Кольцо регулировочное 110600189-03 0010639
Кольцо регулировочное 110600189-02 0010638 31
Кольцо регулировочное 110600189-01 0010637 31
Шпонка 6x6x20 DIN 6885-B (2 шт.) 0129260 149
Шпонка 6х6х20 DIN 6885-B 0068966
Кольцо регулировочное 340600001-01 0012227
Кольцо регулировочное 340600001-03 0012470

Почему выгодно купить у нас

Поставка c завода г. Рыбинск. Мы производители

Спец Тариф на доставку в ТК

Заводская гарантия 12 месяцев

Популярные статьи

Подборка из 5 снегоходов для рыбалки

Куда удобнее отправить?