Каталог

Коробка передач 110605000 для снегохода Буран 4Т

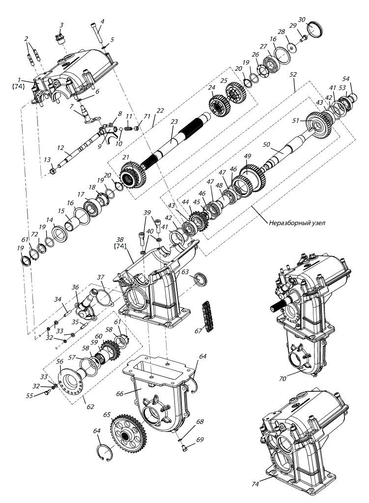
Фото Наименование Артикул Примечание Цена, руб. Заказать
Подшипник 6005 09160006005 0120519 1 895.3
Пробка суфлирующая 340600234 (2 шт.) 0128477 55
Втулка 110605026 0093160 477.4
Блок шестерен 110605008 0093124 6 440.5
Манжета ТС 25х47х7 NBR 70 компания KOK 0078073 610
Вал заднего хода 110605016 0093143 5 970.8
Шайба 8 DIN 127-PB 0065160
Шестерня 110605004 0093118 1 787.5
Прокладка 120600017 0011467 12.1
Шайба 8.65Г.016 ГОСТ 6402-70 (4 шт.) 0130041
Вал заднего хода 110605050 0093203 17 910.2
Втулка 110605028 0093162 863.5
Шпилька М6x18 DIN 835-58P 0073346
Звездочка 110605038 0097902 2 937
Шпилька 340600067 0012250
Устройство натяжное 110605030 0093185 6 701.2
Кольцо 52 DIN 472-ST-P 0093532 79.2
Вал натяжной 340600009 0012233 2 735.7
Звездочка 110605036 0097900 6 725.4
Кольцо 054-062-46-2-2 ГОСТ 18829-73 0009807

Почему выгодно купить у нас

Поставка c завода г. Рыбинск. Мы производители

Спец Тариф на доставку в ТК

Заводская гарантия 12 месяцев

Популярные статьи

Подборка из 5 снегоходов для рыбалки

Куда удобнее отправить?