Каталог

Головка цилиндра двигателя Kohler ЕCH 749-3041, для снегохода Буран 4Т

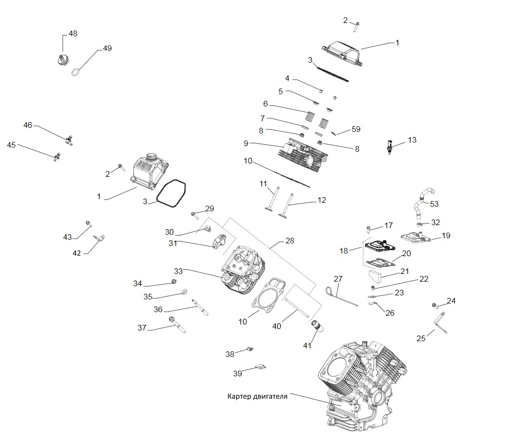
Фото Наименование Артикул Примечание Цена, руб. Заказать
Стяжка 25 454 05-S 0119088
Клапан выпускной 32 016 01-S 0140221 2 373.8
Винт М-640034-S (М6х1х34) 0119089
Клапан выпускной 24 016 01-S 0105056
Шток 24 599 02-S 0108710 261.8
Комплект привода клапана 24 755 66-S 0105057 3 982
Зажим 24 237 37-S 0119090
Винт M-645025-S (М6х1х25) 0112881
Головка цилиндра 24 318 156-S 0119079 33 969.1
Зажим 25 154 22-S 0119091
Кронштейн 24 126 194-S 0119092
Шток 24 411 05-S 0119093
Коромысло 25 186 01-S 0105061 3 028.3
Толкатель клапана гидравлический 25 351 10-S 0119094
Скоба 25 445 02-S 0119095
Шпилька 24 072 09-S 0105064 755.7
Кольцо уплотнительное 24 153 32-S 0119110 386.1
Шайба 24 468 16-S (8.6 мм ) 0105065 261.8
Трубка 24 326 132-S 0119112
Гайка 24 100 10-S ( М8х1.25) 0105066 295.9

Почему выгодно купить у нас

Поставка c завода г. Рыбинск. Мы производители

Спец Тариф на доставку в ТК

Заводская гарантия 12 месяцев

Популярные статьи

Подборка из 5 снегоходов для рыбалки

Куда удобнее отправить?